ขายส่ง เครื่องขัดสารเคมี

  • เครื่องขัดสารเคมี

เครื่องขัดสารเคมี

เครื่องฟอกสารเคมีเป็นตัวกรองการขัดขั้นสูง ใช้โครงสร้างพิเศษและพื้นที่ผิวจำเพาะขนาดใหญ่ของการบรรจุแบบปกติเป็นการบรรจุแบบถ่ายเทมวลและแบบคายน้ำ ในเวลาเดียวกัน ตามส่วนประกอบที่ทำให้เกิดกลิ่นที่แตกต่างกันในกลิ่นนั้น กรด ด่าง และสารออกซิแดนท์ที่เกี่ยวข้องจะถูกนำมาใช้เป็นน้ำยาซักล้างเพื่อดูดซับเพื่อกำจัดกลิ่นในพื้นที่และกำจัดผลกระทบต่อสภาพแวดล้อมโดยรอบ

กระแสลมที่มีกลิ่นจะถูกส่งผ่านท่ออากาศและเข้าสู่หอคอยจากทางเข้าของทาวเวอร์ หลังจากเข้าไปในหอคอย มันจะผ่านชั้นบรรจุจากล่างขึ้นบน และสุดท้ายจะถูกระบายออกจากทางออกท่อบนหอคอยผ่านพัดลมป้องกันการกัดกร่อน สารละลายที่ทำให้เป็นกลางจะผ่านตัวแยกของเหลวที่ด้านบนของหอคอย ฉีดสเปรย์ให้ทั่วชั้นบรรจุ ไหลลงไปตามพื้นผิวของชั้นบรรจุจนกระทั่งระบายออกจากด้านล่างของหอคอยผ่านท่อ และถูกหมุนเวียนโดยปั๊มหมุนเวียนป้องกันการกัดกร่อน เมื่อความเข้มข้นของตัวถูกละลายในกระแสลมที่เพิ่มขึ้นลดลงเรื่อยๆ ฟังก์ชั่นการทำให้บริสุทธิ์จะเกิดขึ้นได้เมื่อถึงด้านบนของทาวเวอร์ และถูกระบายออกหรือยังคงถูกทำให้บริสุทธิ์ต่อไปในขั้นตอนต่อไป ในทางตรงกันข้าม ความเข้มข้นของตัวกลางในของเหลวจากมากไปหาน้อยจะสูงขึ้นเรื่อยๆ และจะถึงสภาวะกระบวนการเมื่อไปถึงด้านล่างของหอคอยและถูกปล่อยออกจากหอคอย

ข้อดีของหอบรรจุสเปรย์: มีประสิทธิภาพสูง ความสามารถในการกักเก็บของเหลวขนาดเล็ก น้ำหนักเบา และใช้งานง่าย ซึ่งช่วยให้พนักงานสามารถเริ่มต้นใช้งานได้ทันที สามารถเลือกฟิลเลอร์ได้ตามสภาพการทำงานที่ลูกค้ากำหนด มีหลายประเภท และโดยทั่วไปจะใช้แหวนลูกปืนที่ทนต่อการกัดกร่อน อย่างไรก็ตาม ควรสังเกตว่าสารแขวนลอยที่เป็นของแข็งอาจอุดตันฟิลเลอร์เนื่องจากมีเส้นผ่านศูนย์กลางของอนุภาคขนาดใหญ่ ดังนั้นโดยทั่วไปจึงไม่เหมาะสำหรับการบำบัดของแข็ง ตัวอย่างเช่น NH₃, HCl, H₂S, ไนโตรเจนออกไซด์ และก๊าซเสียอินทรีย์ที่เกิดจากโรงงานสามารถบำบัดได้อย่างมีประสิทธิภาพด้วยอุปกรณ์นี้

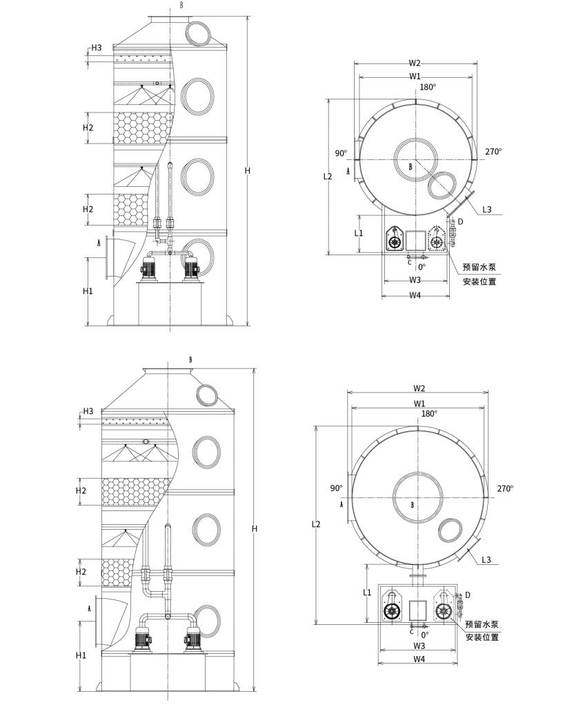
โครงสร้างเครื่องฟอกสารเคมี:
ดังแสดงในรูป: ระบบสเปรย์ขัดแบบบรรจุกล่องที่สมบูรณ์ประกอบด้วยส่วนประกอบดังต่อไปนี้:

1. ตัวทาวเวอร์ทำจากแผ่น PP (โพรพิลีน)

2. กรอบรองรับการบรรจุทำจากแผงตะแกรง PP

3. ท่อเชื่อมต่อแบบสเปรย์ทำจาก UPVC

4. หัวฉีดเกลียว PP;

5. ลูกกลวงหรือบรรจุแหวนพอล;

6. ปั๊มหมุนเวียน PP ที่ทนต่อการกัดกร่อน

7. ชั้นระบบไล่ฝ้าตาข่าย;

8. อุปกรณ์เติมน้ำแบบแมนนวลและอัตโนมัติ

9. ท่อน้ำล้นและท่อระบายน้ำ

10. หน้าต่างตรวจสอบ.

การเลือกเครื่องฟอกสารเคมี:
ตารางพารามิเตอร์ทางเทคนิคของเครื่องขัดพื้นแบบสเปรย์บรรจุ

เพื่อให้มั่นใจในความสะดวกและปลอดภัยในการขนส่ง เครื่องฟอกแบบสเปรย์บรรจุ PP แบ่งออกเป็น 2 ประเภท:

ประเภทที่ 1: เครื่องพ่นสเปรย์บรรจุถังเก็บน้ำในตัว (เส้นผ่านศูนย์กลางทาวเวอร์: Φ1000มม.-Φ2200มม.)

ประเภทที่ 2: เครื่องฟอกสเปรย์บรรจุถังเก็บน้ำแบบแยกส่วน (เส้นผ่านศูนย์กลางทาวเวอร์: Φ2500มม.-Φ3500มม.)


ข้อมูลจำเพาะของรุ่นสอดคล้องกับความจุการไหลของอากาศ:

รุ่น ปริมาณอากาศ ขนาดอุปกรณ์ กำลังปั๊มน้ำ เติมความหนา ความเร็วลม วัสดุอุปกรณ์
LRTL-600 0-1500ลบ.ม./ชม Φ600x3000 0.75kw 500*2 1.48 ม./วินาที PP/304/Q235/ไฟเบอร์กลาส
LRTL-800 1501-2500m³/ชม Φ800x3000 0.75kw 500*2 1.39 ม./วินาที PP/304/Q235/ไฟเบอร์กลาส
LRTL-1000 2501-4000m³/ชม Φ1000x5000 1.5kw 500*2 1.42 ม./วินาที PP/304/Q235/ไฟเบอร์กลาส
LRTL-1200 4001-6000m³/ชม Φ1200x5000 2.2kw 500*2 1.48 ม./วินาที PP/304/Q235/ไฟเบอร์กลาส
LRTL-1500 6001-9500m³/ชม Φ1500x5000 3.75kw 500*2 1.5 ม./วินาที PP/304/Q235/ไฟเบอร์กลาส
LRTL-1800 9501-14000m³/ชม Φ1800x5000 5.5kw 500*2 1.53 ม./วินาที PP/304/Q235/ไฟเบอร์กลาส
LRTL-2000 14001-17000m³/ชม Φ2000x6000 5.5kw 500*2 1.5 ม./วินาที PP/304/Q235/ไฟเบอร์กลาส
LRTL-2200 17001-20000m³/ชม Φ2200x6000 7.5kw 500*2 1.46 ม./วินาที PP/304/Q235/ไฟเบอร์กลาส
LRTL-2500 20001-27000m³/ชม Φ2500x6000 7.5kw 500*2 1.53 ม./วินาที PP/304/Q235/ไฟเบอร์กลาส
LRTL-2800 27001-33000m³/ชม Φ2800x6000 15กิโลวัตต์ 500*2 1.49 ม./วินาที PP/304/Q235/ไฟเบอร์กลาส
LRTL-3000 33001-38000m³/ชม Φ3000x6800 15กิโลวัตต์ 500*2 1.49 ม./วินาที PP/304/Q235/ไฟเบอร์กลาส
LRTL-3200 38001-44000m³/ชม Φ3200x6800 15กิโลวัตต์ 500*2 1.52 ม./วินาที PP/304/Q235/ไฟเบอร์กลาส
LRTL-3500 44001-55000m³/ชม Φ3500x6800 15กิโลวัตต์ 500*2 1.5 ม./วินาที PP/304/Q235/ไฟเบอร์กลาส

หมายเหตุ: การออกแบบที่ไม่ได้มาตรฐานสามารถปรับแต่งได้ตามความต้องการของลูกค้า

แผนภาพการเลือก:

หางโจว Lvran คุ้มครองสิ่งแวดล้อม Group Co., Ltd.

  • 1000+

    ลูกค้าหน่วยบริการ

  • 2000+

    คดีวิศวกรรมแห่งชาติ

Hangzhou Lvran Environmental Protection Group Co., Ltd. คือผู้ให้บริการวิศวกรรมระบบบำบัดก๊าซเสียแบบครบวงจรและผู้ผลิตอุปกรณ์ โดยบูรณาการการวิจัยและพัฒนา บริการด้านเทคนิค การออกแบบ การผลิต การติดตั้งทางวิศวกรรม และบริการหลังการขาย

We are China เครื่องขัดสารเคมี Suppliers and Wholesale เครื่องขัดสารเคมี Exporter, Company. กลุ่มบริษัทเป็นองค์กรเทคโนโลยีขั้นสูงระดับชาติ องค์กรวิทยาศาสตร์และเทคโนโลยีของมณฑลเจ้อเจียง ศูนย์ R&D ระดับภูมิภาค และหน่วยสินเชื่อที่ได้รับการจัดอันดับ AAA มีสิทธิบัตรรุ่นอรรถประโยชน์มากกว่า 30 รายการ สิทธิบัตรการประดิษฐ์จำนวนมาก และลิขสิทธิ์ซอฟต์แวร์ กลุ่มบริษัทมีความร่วมมือด้านการวิจัยและพัฒนาด้านเทคนิคมาอย่างยาวนานกับมหาวิทยาลัยและสถาบันในประเทศ ซึ่งรวมถึง "ศูนย์ R&D นวัตกรรมสิ่งแวดล้อม" ที่ก่อตั้งร่วมกับมหาวิทยาลัยวิทยาศาสตร์และเทคโนโลยีอันฮุย และ "ศูนย์ R&D เทคโนโลยีใหม่พลังงานและสิ่งแวดล้อมพลาสม่า" ที่พัฒนาร่วมกับมหาวิทยาลัย Zhejiang Sci-Tech กลุ่มบริษัทได้จัดตั้งฐานการวิจัยและพัฒนาและการผลิตของตนเองสำหรับความร่วมมือทางเทคนิคในเชิงลึก กลุ่มบริษัทมีเทคโนโลยีบำบัดก๊าซ VOC หลัก มีคุณสมบัติการทำสัญญาทั่วไประดับ 2 สำหรับการก่อสร้างงานสาธารณะของเทศบาล ใบอนุญาตการผลิตที่ปลอดภัย คุณสมบัติการออกแบบพิเศษคลาส B สำหรับการควบคุมมลภาวะต่อสิ่งแวดล้อมในมณฑลเจ้อเจียง คุณสมบัติการบริการแรงงานที่ไม่จำแนกประเภท และการทำสัญญาเฉพาะทางสำหรับโครงการพิเศษ กลุ่มบริษัทได้รับการรับรองมาตรฐาน ISO9001 สำหรับคุณภาพระดับสากล ISO14001 สำหรับการจัดการสิ่งแวดล้อม และ ISO45001 สำหรับอาชีวอนามัยและความปลอดภัย

เกียรติยศและใบรับรอง

เกียรติยศต่อไปนี้แสดงถึงความฉลาดของเรา เราชนะใจลูกค้าด้วยผลิตภัณฑ์คุณภาพสูงและได้รับการยกย่องอย่างสูงจากตลาดและทุกสาขาอาชีพด้วยบริการที่ดี

  • หน่วยพื้นฐานสนามไฟฟ้าแรงสูงชนิดแผ่นเพลทและเครื่องปฏิกรณ์เพื่อป้องกันการรั่วไหลตามพื้นผิว
  • อุปกรณ์ปฏิกิริยาสำหรับการสังเคราะห์เมทานอลโดยใช้คาร์บอนไดออกไซด์และน้ำ และวิธีการสังเคราะห์เมทานอลโดยใช้คาร์บอนไดออกไซด์และน้ำ
  • เครื่องตกตะกอนไฟฟ้าสถิตทำความสะอาดตัวเอง
  • พัดลมแรงดันสูง ทนต่อการกัดกร่อน พร้อม ฟังก์ชั่น ปรับทิศทางลม
  • พัดลมความจุสูงทำความสะอาดตัวเองแบบปรับได้
  • ระบบควบคุมการบำบัดล่วงหน้าก๊าซไอเสียแบบเร่งปฏิกิริยาแบบเร่งปฏิกิริยาแบบรวม
  • การทำความสะอาดด้วยไอน้ำด้วยระบบบำบัดและบำบัดก๊าซไอเสียสนามไฟฟ้าสถิตอย่างต่อเนื่อง
  • ระบบอุปกรณ์ฟอกไอเสียด้วยแสง UV พลาสมาอุณหภูมิต่ำ
  • ใบรับรองการจดทะเบียนเครื่องหมายการค้า
ข่าวและกิจกรรมล่าสุด
แบ่งปันกับคุณ
ดูข่าวเพิ่มเติม