ขายส่ง เครื่องฟอกแบบเปียกแบบจานไซโคลน

  • เครื่องฟอกแบบเปียกแบบจานไซโคลน

เครื่องฟอกแบบเปียกแบบจานไซโคลน

โดยทั่วไปแล้ว หอกวาดล้างไซโคลนจะมีตัวหอทรงกระบอกพร้อมแผ่นกั้นแบบเกลียว ในระหว่างการทำงาน ก๊าซไอเสียจะเข้ามาจากด้านล่างของหอในแนวสัมผัสและไหลขึ้นด้านบน ก๊าซจะหมุนวนขึ้นด้านบนโดยอาศัยใบพัดของแผ่นกั้น และทำให้ของเหลวที่ไหลลงมาตามแผ่นกลายเป็นละอองละเอียด สิ่งนี้จะสร้างพื้นที่สัมผัสระหว่างก๊าซและของเหลวขนาดใหญ่ หยดจะถูกลำเลียงไปตามกระแสก๊าซและหมุน ทำให้เกิดแรงเหวี่ยงที่ช่วยเพิ่มปฏิสัมพันธ์ระหว่างก๊าซและของเหลว ในที่สุด หยดจะถูกโยนลงบนผนังหอคอย ไหลลงไปตามผนังไปยังแผ่นกั้นถัดไป และถูกทำให้เป็นอะตอมอีกครั้งโดยกระแสก๊าซเพื่อการสัมผัสต่อไป ตามที่อธิบายไว้ ของเหลวสัมผัสกับแก๊สได้ทั่วถึงในขณะที่ยังคงการแยกตัวอย่างมีประสิทธิภาพ โดยลดการเกาะติดของหมอก ความสามารถในการรับน้ำหนักของแก๊ส-ของเหลวของระบบนี้มากกว่าสองเท่าของความจุของแผ่นกั้นทั่วไป

สภาพการสัมผัสระหว่างก๊าซและของเหลวที่ดีเยี่ยมของทาวเวอร์ช่วยให้มั่นใจได้ว่าการดูดซับก๊าซเสียด้วยของเหลวอัลคาไลน์มีประสิทธิภาพ นอกจากนี้ หอฟอกไซโคลนยังแสดงประสิทธิภาพการกำจัดฝุ่นที่เหนือกว่าอีกด้วย อนุภาคฝุ่นในก๊าซจะถูกดักจับโดยละอองน้ำบนแผ่นกั้นเกลียว และอนุภาคและหยดที่โยนลงบนผนังหอคอยด้วยแรงเหวี่ยงก็จะถูกกำจัดออกอย่างมีประสิทธิภาพเช่นกัน เป็นผลให้ก๊าซที่ออกจากหอคอยมีฝุ่นและหยดน้อยที่สุด ความเร็วลมหอคอยว่างอยู่ระหว่าง 2.2–2.7 เมตร/วินาที

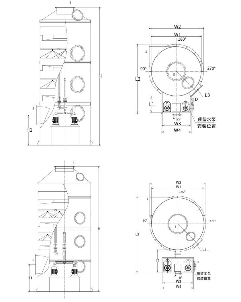
โครงสร้างหอสเปรย์หมุนวน:
ดังแสดงในรูป: ระบบสเปรย์ขัดแบบบรรจุกล่องที่สมบูรณ์ประกอบด้วยส่วนประกอบดังต่อไปนี้:

● ตัวทาวเวอร์ทำจากแผ่น PP (โพลีโพรพีลีน)

● โครงสร้างด้วยแผ่นกั้นเกลียว PP

● ท่อเชื่อมต่อแบบสเปรย์ที่ทำจาก UPVC (โพลีไวนิลคลอไรด์ที่ไม่เป็นพลาสติก)

● หัวฉีดเกลียว PP;

● ปั๊มหมุนเวียน PP ที่ทนต่อการกัดกร่อน

● ชั้นไล่ฝ้า (ชนิดตาข่าย/ไซโคลน/แผ่นกั้น);

● อุปกรณ์เติมน้ำแบบแมนนวลและอัตโนมัติ

● ท่อน้ำล้นและท่อระบายน้ำ

● หน้าต่างการตรวจสอบ

พารามิเตอร์การเลือกหอแผ่นพายุไซโคลน:
เพื่อให้มั่นใจในความสะดวกและปลอดภัยในการขนส่ง หอฟอกไซโคลน PP แบ่งออกเป็นสองประเภทตามข้อกำหนด:

ประเภทที่ 1: เครื่องฟอกแบบไซโคลนถังเก็บน้ำในตัว (เส้นผ่านศูนย์กลางทาวเวอร์: Φ1000มม.-Φ2200มม.)

ประเภทที่ 2: เครื่องฟอกแบบไซโคลนถังเก็บน้ำแบบแยกส่วน (เส้นผ่านศูนย์กลางทาวเวอร์: Φ2500มม.-Φ3500มม.)


แบบจำลองหอฟอกไซโคลนที่สอดคล้องกับความจุการไหลของอากาศ:

รุ่น ช่วงปริมาณอากาศ ขนาดอุปกรณ์ กำลังปั๊มน้ำ จำนวนใบพัดหมุน ช่วงความเร็วลม วัสดุอุปกรณ์
เอ็กแอล-600 0-2800ลบ.ม./ชม Φ600×2950 0.75kw 2 0-2.76 ม./วินาที PP/304/Q235/ไฟเบอร์กลาส
เอ็กแอล-800 3800-5000m³/ชม Φ800×3300 0.75kw 2 2.11-2.77 ม./วินาที PP/304/Q235/ไฟเบอร์กลาส
เอ็กแอล-1000 6,000-7500m³/ชม Φ1000×4380 1.5kw 2 2.13-2.66 ม./วินาที PP/304/Q235/ไฟเบอร์กลาส
เอ็กแอล-1200 8500-11000m³/ชม Φ1200×4430 2.2kw 2 2.09-2.71 ม./วินาที PP/304/Q235/ไฟเบอร์กลาส
เอ็กแอล-1500 14000-17000m³/ชม Φ1500×5000 3.75kw 2 2.2-2.68 ม./วินาที PP/304/Q235/ไฟเบอร์กลาส
เอ็กแอล-1800 20,000-25,000m³/ชม Φ1800×5650 5.5kw 2 2.19-2.73 ม./วินาที PP/304/Q235/ไฟเบอร์กลาส
เอ็กแอล-2000 25001-30000m³/ชม Φ2000×6200 5.5kw 2 2.21-2.66 ม./วินาที PP/304/Q235/ไฟเบอร์กลาส
เอ็กแอล-2200 30001-37000m³/ชม Φ2200×6700 7.5kw 2 2.19-2.71 ม./วินาที PP/304/Q235/ไฟเบอร์กลาส
เอ็กแอล-2500 40000-47000m³/ชม Φ2500×6850 7.5kw 2 2.27-2.66 ม./วินาที PP/304/Q235/ไฟเบอร์กลาส
เอ็กแอล-2800 49000-58000m³/ชม Φ2800×7900 11กิโลวัตต์ 2 2.21-2.62 ม./วินาที PP/304/Q235/ไฟเบอร์กลาส
เอ็กแอล-3000 58000-68000m³/ชม Φ3000×8000 11กิโลวัตต์ 2 2.28-2.67 ม./วินาที PP/304/Q235/ไฟเบอร์กลาส
เอ็กแอล-3200 68000-78000m³/ชม Φ3200×8000 15กิโลวัตต์ 2 2.35-2.7ม./วินาที PP/304/Q235/ไฟเบอร์กลาส
เอ็กแอล-3500 78000-88000m³/ชม Φ3500×8000 15กิโลวัตต์ 2 2.25-2.54 ม./วินาที PP/304/Q235/ไฟเบอร์กลาส

หมายเหตุ: การออกแบบที่ไม่ได้มาตรฐานสามารถทำได้ตามความต้องการของลูกค้า

แผนภาพการเลือก:

หางโจว Lvran คุ้มครองสิ่งแวดล้อม Group Co., Ltd.

  • 1000+

    ลูกค้าหน่วยบริการ

  • 2000+

    คดีวิศวกรรมแห่งชาติ

Hangzhou Lvran Environmental Protection Group Co., Ltd. คือผู้ให้บริการวิศวกรรมระบบบำบัดก๊าซเสียแบบครบวงจรและผู้ผลิตอุปกรณ์ โดยบูรณาการการวิจัยและพัฒนา บริการด้านเทคนิค การออกแบบ การผลิต การติดตั้งทางวิศวกรรม และบริการหลังการขาย

We are China เครื่องฟอกแบบเปียกแบบจานไซโคลน Suppliers and Wholesale เครื่องฟอกแบบเปียกแบบจานไซโคลน Exporter, Company. กลุ่มบริษัทเป็นองค์กรเทคโนโลยีขั้นสูงระดับชาติ องค์กรวิทยาศาสตร์และเทคโนโลยีของมณฑลเจ้อเจียง ศูนย์ R&D ระดับภูมิภาค และหน่วยสินเชื่อที่ได้รับการจัดอันดับ AAA มีสิทธิบัตรรุ่นอรรถประโยชน์มากกว่า 30 รายการ สิทธิบัตรการประดิษฐ์จำนวนมาก และลิขสิทธิ์ซอฟต์แวร์ กลุ่มบริษัทมีความร่วมมือด้านการวิจัยและพัฒนาด้านเทคนิคมาอย่างยาวนานกับมหาวิทยาลัยและสถาบันในประเทศ ซึ่งรวมถึง "ศูนย์ R&D นวัตกรรมสิ่งแวดล้อม" ที่ก่อตั้งร่วมกับมหาวิทยาลัยวิทยาศาสตร์และเทคโนโลยีอันฮุย และ "ศูนย์ R&D เทคโนโลยีใหม่พลังงานและสิ่งแวดล้อมพลาสม่า" ที่พัฒนาร่วมกับมหาวิทยาลัย Zhejiang Sci-Tech กลุ่มบริษัทได้จัดตั้งฐานการวิจัยและพัฒนาและการผลิตของตนเองสำหรับความร่วมมือทางเทคนิคในเชิงลึก กลุ่มบริษัทมีเทคโนโลยีบำบัดก๊าซ VOC หลัก มีคุณสมบัติการทำสัญญาทั่วไประดับ 2 สำหรับการก่อสร้างงานสาธารณะของเทศบาล ใบอนุญาตการผลิตที่ปลอดภัย คุณสมบัติการออกแบบพิเศษคลาส B สำหรับการควบคุมมลภาวะต่อสิ่งแวดล้อมในมณฑลเจ้อเจียง คุณสมบัติการบริการแรงงานที่ไม่จำแนกประเภท และการทำสัญญาเฉพาะทางสำหรับโครงการพิเศษ กลุ่มบริษัทได้รับการรับรองมาตรฐาน ISO9001 สำหรับคุณภาพระดับสากล ISO14001 สำหรับการจัดการสิ่งแวดล้อม และ ISO45001 สำหรับอาชีวอนามัยและความปลอดภัย

เกียรติยศและใบรับรอง

เกียรติยศต่อไปนี้แสดงถึงความฉลาดของเรา เราชนะใจลูกค้าด้วยผลิตภัณฑ์คุณภาพสูงและได้รับการยกย่องอย่างสูงจากตลาดและทุกสาขาอาชีพด้วยบริการที่ดี

  • หน่วยพื้นฐานสนามไฟฟ้าแรงสูงชนิดแผ่นเพลทและเครื่องปฏิกรณ์เพื่อป้องกันการรั่วไหลตามพื้นผิว
  • อุปกรณ์ปฏิกิริยาสำหรับการสังเคราะห์เมทานอลโดยใช้คาร์บอนไดออกไซด์และน้ำ และวิธีการสังเคราะห์เมทานอลโดยใช้คาร์บอนไดออกไซด์และน้ำ
  • เครื่องตกตะกอนไฟฟ้าสถิตทำความสะอาดตัวเอง
  • พัดลมแรงดันสูง ทนต่อการกัดกร่อน พร้อม ฟังก์ชั่น ปรับทิศทางลม
  • พัดลมความจุสูงทำความสะอาดตัวเองแบบปรับได้
  • ระบบควบคุมการบำบัดล่วงหน้าก๊าซไอเสียแบบเร่งปฏิกิริยาแบบเร่งปฏิกิริยาแบบรวม
  • การทำความสะอาดด้วยไอน้ำด้วยระบบบำบัดและบำบัดก๊าซไอเสียสนามไฟฟ้าสถิตอย่างต่อเนื่อง
  • ระบบอุปกรณ์ฟอกไอเสียด้วยแสง UV พลาสมาอุณหภูมิต่ำ
  • ใบรับรองการจดทะเบียนเครื่องหมายการค้า
ข่าวและกิจกรรมล่าสุด
แบ่งปันกับคุณ
ดูข่าวเพิ่มเติม