ขายส่ง หอสเปรย์สแตนเลส 316L

  • หอสเปรย์สแตนเลส 316L
  • หอสเปรย์สแตนเลส 316L
  • หอสเปรย์สแตนเลส 316L
  • หอสเปรย์สแตนเลส 316L
  • หอสเปรย์สแตนเลส 316L
  • หอสเปรย์สแตนเลส 316L

หอสเปรย์สแตนเลส 316L

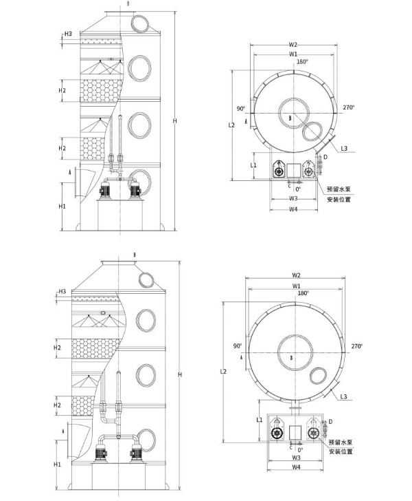
หลักการทำงานของทาวเวอร์สเปรย์สแตนเลส 316L และสภาพแวดล้อมของก๊าซที่ใช้งานได้

I. หลักการทำงาน (เหมือนกับกระบวนการ PP/PPH Tower แต่วัสดุและเงื่อนไขการใช้งานต่างกัน)
1. ก๊าซไอเสียจะเข้าสู่หอสัมผัส โดยลอยผ่านส่วนปรับสมดุลไปยังส่วนการบรรจุ/สเปรย์
2. หัวฉีด 316L ที่ด้านบนของหอทำให้ NaOH, H₂SO₄ หรือสารละลายเคมีอื่นๆ กลายเป็นละออง ซึ่งสัมผัสกับก๊าซสวนทาง
3. ฟิล์มของเหลวก่อตัวขึ้นบนพื้นผิวของวงแหวน Pall 316L หรือการบรรจุวงแหวนแบบขั้นบันได เพื่อขจัดมลพิษผ่านการดูดซับ การละลาย การทำให้เป็นกลาง หรือปฏิกิริยารีดอกซ์
4. ก๊าซบริสุทธิ์ที่มีหยดจะดำเนินต่อไปผ่านตะแกรงลวด 316L หรือระบบไล่ฝ้าแบบแผ่นกั้น จากนั้นจะถูกทำให้แห้งและปล่อยออกสู่สภาวะมาตรฐาน
5. ของเหลวของเสียจะถูกรวบรวมในถังหมุนเวียนขนาด 316 ลิตรที่ด้านล่างของหอคอย หลังจากการจ่ายสารและการกรองแบบอัตโนมัติ ปั๊ม 316L จะถูกรีไซเคิลจนกว่าจะเป็นไปตามมาตรฐานการจ่ายออกหรือได้รับการว่าจ้างจากภายนอกเพื่อการบำบัด

2. ข้อดีของวัสดุ 316L
• มี Mo 23% ซึ่งให้ความต้านทานการกัดกร่อนแบบรูพรุนและการกัดกร่อนของรอยแยกได้สูงกว่า 304 ถึง 30%
• สามารถทนต่อการใช้งานระยะยาวกับก๊าซไอเสียอุณหภูมิสูงที่อุณหภูมิ 80-150°C โดยไม่เสียรูปหรือเสื่อมสภาพ
• ความแข็งแรงทางกลสูง สามารถทนต่อความผันผวนของแรงดันเกิน ±5 kPa ทำให้เหมาะสำหรับระบบร่างที่มีแรงดันสูง

ที่สาม สภาพแวดล้อมของก๊าซทั่วไปที่ใช้งานได้
| อุตสาหกรรม | ตัวอย่างสื่อแก๊ส | คุณสมบัติ |
| เคมีภัณฑ์/เภสัชกรรม | HCl, Cl₂, SO₂, HF, H₂S | ความเข้มข้นสูง มีฤทธิ์กัดกร่อนสูง มีฮาโลเจน |
| การชุบด้วยไฟฟ้า/การดอง | หมอกกรดโครมิก, ไฮโดรเจนไซยาไนด์, หมอกกรดไนตริก | ประกอบด้วยไอออนของโลหะหนัก ออกซิไดซ์สูง |
| การเผาขยะ | ส่วนผสมก๊าซ HCl SO₂ HF, สารตั้งต้นของไดออกซิน | อุณหภูมิสูง ความชื้นสูง องค์ประกอบที่ซับซ้อน |
| โลหะวิทยา/อิเล็กทรอนิกส์ | NOₓ, แอมโมเนีย, ไซเลน, ฟอสฟีน | ฝุ่นที่ประกอบด้วยฟลูออรีนและซิลิกอน กรดและด่างแก่ |
| ห้องปฏิบัติการ | ก๊าซไอเสียผสมกรด-เบส ไอตัวทำละลายอินทรีย์ | ความผันผวนของความเข้มข้นสูง การปล่อยก๊าซไม่ต่อเนื่อง |

IV. เปรียบเทียบกับการเลือกทาวเวอร์ PP/PPH
• อุณหภูมิ > 60°C หรือมีฟลูออรีนหรือไอออนคลอไรด์สูง → เลือก 316L;
• ประกอบด้วยกรดไฮโดรฟลูออริกหรือกรดซัลฟิวริกเข้มข้นที่อุณหภูมิสูง → อัปเกรดเป็น 904L หรือ Hastelloy
• สำหรับกรดและด่างอ่อนที่อุณหภูมิห้องหรือโครงการที่คำนึงถึงต้นทุน ให้เลือก PP/PPH

หอสเปรย์สแตนเลส 316L ใช้กลไกการถ่ายเทมวลแบบบรรจุสเปรย์ทวนกระแส โดยคงประสิทธิภาพการทำให้บริสุทธิ์ไว้ที่ ≥95% และอายุการใช้งานนานกว่าสิบปี แม้ในอุณหภูมิสูง คลอไรด์สูง ออกซิไดซ์สูง หรือสถานการณ์ก๊าซเสียที่ลดลงอย่างมาก เป็นตัวเลือกที่ต้องการสำหรับการบำบัดก๊าซเสียที่มีฤทธิ์กัดกร่อนในอุตสาหกรรมต่างๆ เช่น สารเคมี การชุบด้วยไฟฟ้า และการเผาขยะ

การเลือกเครื่องฟอกสารเคมี
ตารางข้อมูลจำเพาะด้านเทคนิคสำหรับเครื่องขัดพื้นแบบสเปรย์แบบบรรจุกล่อง
เพื่อความสะดวกและปลอดภัยในการขนส่ง เครื่องพ่นสเปรย์บรรจุ PP แบ่งออกเป็น 2 ประเภท คือ
ประเภทที่ 1: เครื่องขัดพื้นแบบสเปรย์บรรจุถังในตัว (เส้นผ่านศูนย์กลางทาวเวอร์: Φ1000มม.–Φ2200มม.)
ประเภทที่ 2: เครื่องฟอกสเปรย์บรรจุถังเก็บน้ำแบบแยกส่วน (เส้นผ่านศูนย์กลางทาวเวอร์: Φ2500มม.–Φ3500มม.)
ความจุกระแสลมรุ่นที่สอดคล้องกันสำหรับอาคารบรรจุ:

รุ่น ความจุการไหลของอากาศ (ลบ.ม./ชม.) ขนาดอุปกรณ์ กำลังปั๊ม ความหนาของการบรรจุ ความเร็วลม วัสดุอุปกรณ์
LRTL-600 0 - 1500ลบ.ม./ชม Φ600×3000 0.75kw 500*2 1.48 ม./วินาที PP/304/Q235/ไฟเบอร์กลาส
LRTL-800 1501 - 2500m³/ชม Φ800×3000 0.75kw 500*2 1.39 ม./วินาที PP/304/Q235/ไฟเบอร์กลาส
LRTL-1000 2501 - 4000m³/ชม Φ1,000×5,000 1.5kw 500*2 1.42 ม./วินาที PP/304/Q235/ไฟเบอร์กลาส
LRTL-1200 4001 - 6000m³/ชม Φ1200×5,000 2.2kw 500*2 1.48 ม./วินาที PP/304/Q235/ไฟเบอร์กลาส
LRTL-1500 6001 - 9500m³/ชม Φ1500×5000 3.75kw 500*2 1.5 ม./วินาที PP/304/Q235/ไฟเบอร์กลาส
LRTL-1800 9501 - 14000m³/ชม Φ1800×5000 5.5kw 500*2 1.53 ม./วินาที PP/304/Q235/ไฟเบอร์กลาส
LRTL-2000 14001 - 17000m³/ชม Φ2000×6000 5.5kw 500*2 1.5 ม./วินาที PP/304/Q235/ไฟเบอร์กลาส
LRTL-2200 17001 - 20000m³/ชม Φ2200×6000 7.5kw 500*2 1.46 ม./วินาที PP/304/Q235/ไฟเบอร์กลาส
LRTL-2500 20001 - 27000m³/ชม Φ2500×6000 7.5kw 500*2 1.53 ม./วินาที PP/304/Q235/ไฟเบอร์กลาส
LRTL-2800 27001 - 33000m³/ชม Φ2800×6000 15กิโลวัตต์ 500*2 1.49 ม./วินาที PP/304/Q235/ไฟเบอร์กลาส
LRTL-3000 33001 - 38000m³/ชม Φ3000×6800 15กิโลวัตต์ 500*2 1.49 ม./วินาที PP/304/Q235/ไฟเบอร์กลาส
LRTL-3200 38001 - 44000m³/ชม Φ3200×6800 15กิโลวัตต์ 500*2 1.52 ม./วินาที PP/304/Q235/ไฟเบอร์กลาส
LRTL-3500 44001 - 55000m³/ชม Φ3500×6800 15กิโลวัตต์ 500*2 1.5 ม./วินาที PP/304/Q235/ไฟเบอร์กลาส

หมายเหตุ: สามารถออกแบบแบบกำหนดเองได้ตามคำขอของลูกค้า

แผนภาพการเลือก:

หางโจว Lvran คุ้มครองสิ่งแวดล้อม Group Co., Ltd.

  • 1000+

    ลูกค้าหน่วยบริการ

  • 2000+

    คดีวิศวกรรมแห่งชาติ

Hangzhou Lvran Environmental Protection Group Co., Ltd. คือผู้ให้บริการวิศวกรรมระบบบำบัดก๊าซเสียแบบครบวงจรและผู้ผลิตอุปกรณ์ โดยบูรณาการการวิจัยและพัฒนา บริการด้านเทคนิค การออกแบบ การผลิต การติดตั้งทางวิศวกรรม และบริการหลังการขาย

We are China หอสเปรย์สแตนเลส 316L Suppliers and Wholesale หอสเปรย์สแตนเลส 316L Exporter, Company. กลุ่มบริษัทเป็นองค์กรเทคโนโลยีขั้นสูงระดับชาติ องค์กรวิทยาศาสตร์และเทคโนโลยีของมณฑลเจ้อเจียง ศูนย์ R&D ระดับภูมิภาค และหน่วยสินเชื่อที่ได้รับการจัดอันดับ AAA มีสิทธิบัตรรุ่นอรรถประโยชน์มากกว่า 30 รายการ สิทธิบัตรการประดิษฐ์จำนวนมาก และลิขสิทธิ์ซอฟต์แวร์ กลุ่มบริษัทมีความร่วมมือด้านการวิจัยและพัฒนาด้านเทคนิคมาอย่างยาวนานกับมหาวิทยาลัยและสถาบันในประเทศ ซึ่งรวมถึง "ศูนย์ R&D นวัตกรรมสิ่งแวดล้อม" ที่ก่อตั้งร่วมกับมหาวิทยาลัยวิทยาศาสตร์และเทคโนโลยีอันฮุย และ "ศูนย์ R&D เทคโนโลยีใหม่พลังงานและสิ่งแวดล้อมพลาสม่า" ที่พัฒนาร่วมกับมหาวิทยาลัย Zhejiang Sci-Tech กลุ่มบริษัทได้จัดตั้งฐานการวิจัยและพัฒนาและการผลิตของตนเองสำหรับความร่วมมือทางเทคนิคในเชิงลึก กลุ่มบริษัทมีเทคโนโลยีบำบัดก๊าซ VOC หลัก มีคุณสมบัติการทำสัญญาทั่วไประดับ 2 สำหรับการก่อสร้างงานสาธารณะของเทศบาล ใบอนุญาตการผลิตที่ปลอดภัย คุณสมบัติการออกแบบพิเศษคลาส B สำหรับการควบคุมมลภาวะต่อสิ่งแวดล้อมในมณฑลเจ้อเจียง คุณสมบัติการบริการแรงงานที่ไม่จำแนกประเภท และการทำสัญญาเฉพาะทางสำหรับโครงการพิเศษ กลุ่มบริษัทได้รับการรับรองมาตรฐาน ISO9001 สำหรับคุณภาพระดับสากล ISO14001 สำหรับการจัดการสิ่งแวดล้อม และ ISO45001 สำหรับอาชีวอนามัยและความปลอดภัย

เกียรติยศและใบรับรอง

เกียรติยศต่อไปนี้แสดงถึงความฉลาดของเรา เราชนะใจลูกค้าด้วยผลิตภัณฑ์คุณภาพสูงและได้รับการยกย่องอย่างสูงจากตลาดและทุกสาขาอาชีพด้วยบริการที่ดี

  • หน่วยพื้นฐานสนามไฟฟ้าแรงสูงชนิดแผ่นเพลทและเครื่องปฏิกรณ์เพื่อป้องกันการรั่วไหลตามพื้นผิว
  • อุปกรณ์ปฏิกิริยาสำหรับการสังเคราะห์เมทานอลโดยใช้คาร์บอนไดออกไซด์และน้ำ และวิธีการสังเคราะห์เมทานอลโดยใช้คาร์บอนไดออกไซด์และน้ำ
  • เครื่องตกตะกอนไฟฟ้าสถิตทำความสะอาดตัวเอง
  • พัดลมแรงดันสูง ทนต่อการกัดกร่อน พร้อม ฟังก์ชั่น ปรับทิศทางลม
  • พัดลมความจุสูงทำความสะอาดตัวเองแบบปรับได้
  • ระบบควบคุมการบำบัดล่วงหน้าก๊าซไอเสียแบบเร่งปฏิกิริยาแบบเร่งปฏิกิริยาแบบรวม
  • การทำความสะอาดด้วยไอน้ำด้วยระบบบำบัดและบำบัดก๊าซไอเสียสนามไฟฟ้าสถิตอย่างต่อเนื่อง
  • ระบบอุปกรณ์ฟอกไอเสียด้วยแสง UV พลาสมาอุณหภูมิต่ำ
  • ใบรับรองการจดทะเบียนเครื่องหมายการค้า
ข่าวและกิจกรรมล่าสุด
แบ่งปันกับคุณ
ดูข่าวเพิ่มเติม